下載app免費領取會員
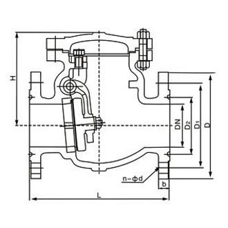
本文主要介紹了如何繪制CAD旋啟式止回閥圖例。旋啟式止回閥是一種常用的閥門類型,它能夠防止流體倒流,起到保護管道和設備的作用。繪制CAD圖例可以幫助工程師和設計師更好地理解和使用該閥門,提高工作效率。

在繪制CAD圖例之前,我們首先需要創建一個新的圖層。圖層的創建可以通過點擊CAD軟件界面上的“圖層管理器”按鈕實現。在圖層管理器中,我們可以添加新的圖層,將圖層命名為“閥門”,并設置圖層的顏色和線型等屬性。

在創建圖層之后,我們可以開始繪制閥門外形。根據旋啟式止回閥的實際尺寸,選擇適當的繪圖比例。在CAD軟件中,我們可以使用線段、圓弧、矩形等基本繪圖命令來繪制閥門的外形。根據實際需要,可以使用不同的顏色和線型將閥門的不同部分進行區分。
在繪制閥門外形之后,我們可以開始繪制閥蓋和閥瓣。閥蓋是閥門的上部覆蓋物,起到保護閥門內部機械零件的作用。閥瓣是閥門內部的關鍵部件,它能夠根據流體的流向進行旋轉,實現止回功能。在CAD軟件中,可以使用圓弧、多邊形等命令來繪制閥蓋和閥瓣的形狀。
在繪制閥門外形、閥蓋和閥瓣之后,我們需要對圖例進行標注尺寸和文字說明。標注尺寸可以使用CAD軟件中的標注命令實現,我們可以選擇標注的類型和位置。文字說明可以使用CAD軟件中的文本命令來添加,我們可以選擇文字的字體、大小和顏色等屬性。
最后,我們可以在圖例中添加特定的符號和箭頭,以表示閥門的特性和功能。例如,可以使用箭頭表示流體的流向,使用特定的符號表示閥門的開啟和關閉狀態。在CAD軟件中,可以使用圖形命令和符號庫來添加符號和箭頭。
通過以上步驟,我們可以完成CAD旋啟式止回閥圖例的繪制。繪制CAD圖例可以幫助我們更好地理解和使用閥門,提高工作效率。同時,通過使用CAD軟件,我們可以輕松地修改和更新圖例,以滿足不同的需求和要求。
本文版權歸腿腿教學網及原創作者所有,未經授權,謝絕轉載。
上一篇:Revit技巧 | Revit官方教程丨明細表中的排序和成組示例
下一篇:Revit技巧 | Revit官方教程丨如何在Revit明細表中添加總計(匯總)
推薦專題