下載app免費領取會員
文章來源:河南六建建筑集團有限公司
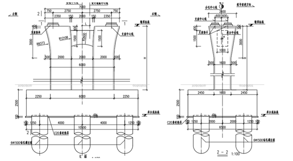
花瓶柱墩建模思路
由于該墩柱四面均為曲線,按照常規模型建立無法完成。現在將該墩柱利用“微積分”的原理進行拆分,依圖為例,將3m以下標準部分為一段,該段可直接采用revit拉伸功能進行建模。上部3m段拆分成多段(根據實際尺寸來劃定每段距離,每一個分段的矢高控制在5mm以內,300-500每段為宜),建立每段模型,最終將所有模型合并。

建模流程
1、墩柱CAD拆分
利用Excle表格計算公式,求出各斷面邊長,并在CAD中生成各斷面輪廓線。


2、繪制三維輪廓
在CAD三維模型繪制模式中,將各輪廓線與墩柱豎向截面邊界對齊,形成三維輪廓線,并導出CAD模型。

3、Revit繪制模型
①在revit中新建結構柱族,將cad模型導入,在三維視圖中,采用融合命令進行拾取繪制(分段進行繪制)。
②對3m以下部分可直接拾取最下端輪廓線,采用拉伸命令繪制。

本文版權歸腿腿教學網及原創作者所有,未經授權,謝絕轉載。
上一篇:CAD教程 | 如何使用CAD2023軟件的斷點命令
下一篇:Revit技巧 | Revit文件中缺失的圖元過多怎么辦?Revit軟件安裝族件缺失解決方案
推薦專題