下載app免費領取會員
打開REVIT,打開菜單:新建→族,新建以“公制常規模型”為樣板一個族文件,進入族編輯器。

我們目的是創建參數化的“風口族”,我們需要至少風口長度和風口寬度兩個參數,可根據項目需要由用戶臨時設置,還需要該風口能自動附著到風骨上,并且根據風管大小自動變換連接部件的大小。現給族添加兩個控制風口大小的參數:風口寬度和風口大小。打開族類型對話框,在“參數”欄下選擇“添加”,在參數類型對話框中輸入”名稱:風口長度“,其它項默認。同樣的方法創建“風口寬度”參數。

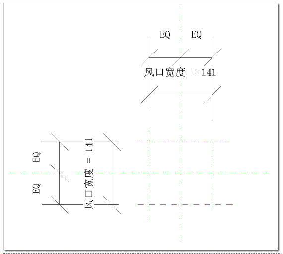
因為要創建側送風風口,因此打開“前”立面視圖,默認此視圖中顯示參照標高,可將其隱藏,防止誤操作,并選中水平參面,將其鎖定。默認有兩個垂直的參照平面,在分別在這兩個參照平面左右上下添加一個參照平面。并對其進行標注,注意用EQ命令將其它們以中心參照面平分。

1、將上下兩個長度標注指定給“風口長度”和“風口寬度”兩個參數。

用此四個參照面圍城的矩形創建一個拉伸,邊框厚度暫定為10mm,注意將外邊鎖定在對應的參照面上,確定風口的基本外形。平面視圖,前立面視圖和三維視圖分別如下。

能夠自動插入到風管的只有“風管管件”的族類型,因此,為了將風口能夠自動插入到風管中,需修改默認的族類型。族編輯器中默認打開“默認標高”平面視圖(也是默認的工作平面),因為需要創建“風口末端”類型的族文件,因此需要修改族類型。打開族類別和族參數對話框,可以看到當前默認的族類別為“常規模型”,因為樣板文件我們選擇的是公制常規模型,將其類別改為“風管附件”。并將部件類型給為“插入”。

現在來創建一個風口和風管的連接部件。在平面視圖中再添加兩個參照平面。并添加一個風管寬度的實例參數,為了跟風口寬度和風口高度兩參數有所區別,將其分組方式設置為“構造”。并將剛才創建的拉伸的一邊鎖定在下最下邊參照面上。


同樣在前里面視圖中添加兩個參照面,并添加風管高度實例參數。

風口添加一個厚度數量,控制風口伸出風口的長度。

在左里面視圖中創建一個拉伸,并將邊框鎖定在對應的平面上。給剛創建的拉伸添加風管連接件。將風管高度和風管寬度與風管連接件相關聯。

載入到項目中進行測試。

使用自適應陣列給風口添加柵格,并添加材質參數,方便在項目中控制其外觀,最終的族如下所示。

Revit中文網作為國內知名BIM軟件培訓交流平臺,幾十萬Revit軟件愛好者和你一起學習Revit,不僅僅為廣大用戶提供相關BIM軟件下載與相關行業資訊,同時也有部分網絡培訓與在線培訓,歡迎廣大用戶咨詢。
網校包含各類BIM課程320余套,各類學習資源270余種,是目前國內BIM類網校中課程最有深度、涵蓋性最廣、資源最為齊全的網校。網校課程包含Revit、Dynamo、Lumion、Navisworks、Civil 3D等幾十種BIM相關軟件的教學課程,專業涵蓋土建、機電、裝飾、市政、后期、開發等多個領域。
需要更多BIM考試教程或BIM視頻教程,可以咨詢客服獲得更多免費Revit教學視頻。
本文版權歸腿腿教學網及原創作者所有,未經授權,謝絕轉載。
上一篇:Revit技巧 | revit風管如何批量底對齊?Revit對齊的三種方式
下一篇:Revit技巧 | revit尺寸怎么標注?REVIT對齊尺寸標注及尺寸標注屬性
推薦專題