下載app免費領取會員
Revit內線條成型有很多種可操作方法,譬如墻飾條、樓板邊、屋頂檐槽,或者內建放樣等等。但是要統計出來線條規格信息、品牌價格,還要能夠區分房間信息,安裝階段等多方面考慮,上述方法各有所長各有不足。如墻飾條、樓板邊、檐槽必須依附于墻體樓板屋頂等實體模型,內建輪廓放樣造型易操作,但是很難做到明細表的相關精準統計。
So,利用系統基于線性的族樣板制作一個線條模型的樣板,應該是個不錯的解決方法。


解決思路:
一、基于線性的族,在項目中相交打斷等操作非常方便,易上手。
二、利用嵌入輪廓族形成不同族類型,可以實現不同線條造型的迅速調整變換。
三、交角問題,可以通過端點部位的延伸或者剪切解決,需要注意的是參數設置不當可能會出現下面這種交角不嚴謹的情況。


還需要注意的是陰角和陽角相交時線條造型輪廓和路徑之間的內外關系。
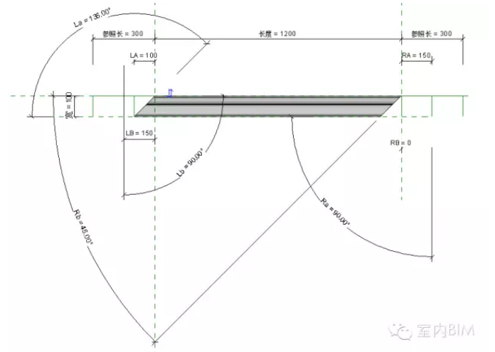
四、交角角度設置。在16版本及以前版本中如果不借助于插件之類的,無法實現路徑角度于線條切角角度的關聯計算(17版本或許有突破,說明可參見上期微文說明)。所以目前純revit需要手動設置一下交角處的線條端點角度即可,如圖:


總結:該方法能將每一段線條的準確使用量0誤差統計,(施工現場線條切角加工計長不計短)。如墻體一樣,繪制時依照順時針方向(revit線性模型放置方向潛規則,否則會使得線條朝內。)
本文版權歸腿腿教學網及原創作者所有,未經授權,謝絕轉載。
上一篇:Revit技巧 | Revit電線管尺寸怎么算?關于Revit中如何測量線管的長度
推薦專題